Leaf Spring Suspension
- rolling-thunder
- Lance Corporal
- Posts: 225
- Joined: Sun Aug 13, 2017 11:58 pm
Leaf Spring Suspension
Although i'm not at a stage where I will be mounting suspension on my Panzer II hull I am in the research stage!
I find myself needing to source flat Leaf Springs for the suspension and at the moment all I have in mind are Bow Saw Blades which will need to have the teeth removed. I have looked online for sources but can't find anything suitable or in quantities in need.
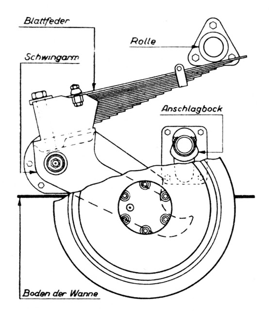
Each Panzer II has 10 Swing arms and each swing arm has 17 leaf springs. The longest is 120mm and the shortest is 30mm. There is a bolt that travels through all of the Springs before fixing into the swing arm. So what I need is Annealed Leaf springs 15mm wide and 1mm thick that I can cut to the necessary lengths.
Does any one have any idea where I can get the materials I need? (Photos added to give an idea on what i'm blathering about?}
I find myself needing to source flat Leaf Springs for the suspension and at the moment all I have in mind are Bow Saw Blades which will need to have the teeth removed. I have looked online for sources but can't find anything suitable or in quantities in need.
Each Panzer II has 10 Swing arms and each swing arm has 17 leaf springs. The longest is 120mm and the shortest is 30mm. There is a bolt that travels through all of the Springs before fixing into the swing arm. So what I need is Annealed Leaf springs 15mm wide and 1mm thick that I can cut to the necessary lengths.
Does any one have any idea where I can get the materials I need? (Photos added to give an idea on what i'm blathering about?}
- Attachments
-
- dr6263ref03.jpg (41.63 KiB) Viewed 6557 times
-
- pz2c02-118286aff34001a5a13b617aba75e0bb.jpg (66.53 KiB) Viewed 6557 times
I am the Law!
Re: Leaf Spring Suspension
There is a seller on EBay who makes the CA10 Soviet truck. His rear leaf springs have the lengths you want (I assume that you can disassemble them and re-stack them to suit your needs, but you'd have to check on that). He also sells a set of front leaf springs that are a little shorter (but cheaper). Link is here: https://www.ebay.com/itm/Rear-Leaf-Spri ... SwqSJbaQkp
- midlife306
- Warrant Officer 1st Class
- Posts: 2238
- Joined: Sun Aug 27, 2017 10:34 am
Re: Leaf Spring Suspension
This is the first one I came across, there will be plenty more at cheaper prices I’m sure
Spring band steel Spring steel strip non-rusting Length 250 mm >Please select< https://rover.ebay.com/rover/0/0/0?mpre ... 1702521636
Cheers
Wayne
Sent from my iPhone using Tapatalk

Spring band steel Spring steel strip non-rusting Length 250 mm >Please select< https://rover.ebay.com/rover/0/0/0?mpre ... 1702521636
Cheers
Wayne
Sent from my iPhone using Tapatalk
- rolling-thunder
- Lance Corporal
- Posts: 225
- Joined: Sun Aug 13, 2017 11:58 pm
Re: Leaf Spring Suspension
Actually those were the ones i was looking at. It's the cost. The total length i need just for the top and longest spring is 1200mm. That is a lot of 250mm strips.
I'm going to sit down and work out what length i need by adding all the lengths together.I'm thinking i'll need to get around 6 Meters of spring steel.
I'm going to sit down and work out what length i need by adding all the lengths together.I'm thinking i'll need to get around 6 Meters of spring steel.
midlife306 wrote:This is the first one I came across, there will be plenty more at cheaper prices I’m sure
Spring band steel Spring steel strip non-rusting Length 250 mm >Please select< https://rover.ebay.com/rover/0/0/0?mpre ... 1702521636
Cheers
Wayne
Sent from my iPhone using Tapatalk
I am the Law!
Re: Leaf Spring Suspension
Wayne, I missed the part where you said they needed to be about 15mm wide; so these wouldn't work anyway, as they're probably only 6mm or 7mm wide. Sorry.
Re: Leaf Spring Suspension
If the intention is to make a working suspension for the Dragon Panzer II, I can't see 17mm of leaf springs bending at all given the overall lack of weight in the kit.
You might be better off just making the top one from spring steel and using plastic card for the others.
The Spearhead/Blitzkrieg Hetzer had an all steel lower hull and all metal running gear and that only used one metal spring for each station, with the others being dummy plastic parts.
Adrian.
You might be better off just making the top one from spring steel and using plastic card for the others.
The Spearhead/Blitzkrieg Hetzer had an all steel lower hull and all metal running gear and that only used one metal spring for each station, with the others being dummy plastic parts.
Adrian.
- jarndice
- Colonel
- Posts: 8485
- Joined: Mon Sep 03, 2012 11:27 am
- Location: the mountains of hertfordshire
Re: Leaf Spring Suspension
It might be useful to study the structure of the quarter elliptic leaf springs of the Asiatam Panzer 4 where they are moulded/pressed with just one active spring steel leaf actually doing any work.
I think I am about to upset someone 
- rolling-thunder
- Lance Corporal
- Posts: 225
- Joined: Sun Aug 13, 2017 11:58 pm
Re: Leaf Spring Suspension
That is also a useful idea! & cheaper too! I had considered plasticard as i'd seen that done on another {Car} build while searching the net. Thanks for the useful ideas.Saracen wrote:If the intention is to make a working suspension for the Dragon Panzer II, I can't see 17mm of leaf springs bending at all given the overall lack of weight in the kit.
You might be better off just making the top one from spring steel and using plastic card for the others.
T
Adrian.
I am the Law!
-
Steve Norris
- Recruit
- Posts: 25
- Joined: Thu Jul 03, 2014 5:10 pm
Re: Leaf Spring Suspension
On my Spearhead Hetzer I used thin rubber sheet cut into suitable lengths and laminated together rather than plastic as I wanted to avoid any chance of the plastic cracking over time.
Regards
Steve
Regards
Steve
- rolling-thunder
- Lance Corporal
- Posts: 225
- Joined: Sun Aug 13, 2017 11:58 pm
Re: Leaf Spring Suspension
I have managed to get myself some metal banding, once cut to length it will need to be cut to width and cleaned. I'll experiment with it to see if I can increase the spring. I am convinced that making all 17 leafs out of metal will make the suspension too rigid as has already been mentioned. I have enough metal to experiment and I think I can get more if needed.
I am the Law!