Dragon 1/6 PANZER II AUSF.B to F Conversion with RC?
- rolling-thunder
- Lance Corporal
- Posts: 225
- Joined: Sun Aug 13, 2017 11:58 pm
Dragon 1/6 PANZER II AUSF.B to F Conversion with RC?
First off, a few disclaimers. I haven't received this Tank yet, I haven't painted it & I don't get the figure with the Tank.
I've bought this static Tank off Ebay from AJCollectables who seems to have quite a lot of figures I like too. Like a lot of people I've always wanted a one sixth scale Tank but for one reason or another I could never afford to fund such toys. Then I came across some videos on youtube showing the Dragon Panzer II RC'd up. I really wanted the AUSF.C but no one has the kits in stock {although there's a rumour that Dragon will be rereleasing a kit , it will probably be the B version .The same one I have?}
I really wanted the C type but as nowhere has them I couldn't resist picking up this Tank. Now it has problems, I believe the rear convoy light is missing & I've been told one of the drive wheels has been glued for some reason. Until I have the Tank in hand I can't make anymore judgements. I am really not a fan of the paintwork or weathering so one of the first jobs to do after I receive the Tank will be to clean it up & strip it down. I'm going to try to get some Glue release spray for what ever Glue has been used on it.
I intend to replace the rounded front end with a boxy front end & see if I can buy or make a Commanders Cupola. I have been building a wish list of parts, mostly tools & tool clamps at the moment.
I've bought this static Tank off Ebay from AJCollectables who seems to have quite a lot of figures I like too. Like a lot of people I've always wanted a one sixth scale Tank but for one reason or another I could never afford to fund such toys. Then I came across some videos on youtube showing the Dragon Panzer II RC'd up. I really wanted the AUSF.C but no one has the kits in stock {although there's a rumour that Dragon will be rereleasing a kit , it will probably be the B version .The same one I have?}
I really wanted the C type but as nowhere has them I couldn't resist picking up this Tank. Now it has problems, I believe the rear convoy light is missing & I've been told one of the drive wheels has been glued for some reason. Until I have the Tank in hand I can't make anymore judgements. I am really not a fan of the paintwork or weathering so one of the first jobs to do after I receive the Tank will be to clean it up & strip it down. I'm going to try to get some Glue release spray for what ever Glue has been used on it.
I intend to replace the rounded front end with a boxy front end & see if I can buy or make a Commanders Cupola. I have been building a wish list of parts, mostly tools & tool clamps at the moment.
Last edited by rolling-thunder on Sun Jun 24, 2018 8:10 pm, edited 2 times in total.
I am the Law!
Re: Dragon 1/6 PANZER II AUSF.B to C Conversion with RC?
It's a good-looking tank, but it's static right now, correct? I looked at the dragon kits myself and the reason I didn't buy one is because I heard from a lot of people that the tracks are the biggest problem. They just won't hold up. And, that's one of the problems with this scale, everything cost so damn much. A new set of tracks for that tank will probably run you at least seven or eight hundred dollars. That's probably more than you paid for the tank. But, if you do get some better tracks and put them on there it should be good to go.
When FDR coined the phrase "The Arsenal of Democracy", he was talking about Detroit. Proud to live in the 2nd most violent city in America!!
- rolling-thunder
- Lance Corporal
- Posts: 225
- Joined: Sun Aug 13, 2017 11:58 pm
Re: Dragon 1/6 PANZER II AUSF.B to C Conversion with RC?
I've already bought a commander figure to have a play around with & i'll pick another up on Monday? It's is quite possible i'll eventually have to kit bash a figure to get all the clothing details correct?
It is my intention to not only get the Tank rolling but to include turret rotation, barrel elevation & guns firing with a light emitter. Although I have gathered quite a few links to various shops more will always help. I have found a gearbox set & electronics & even tracks but I've not seen any wheels yet. Because of the expense this is going to be a slow build & I still have other projects to finish. I want to take a Toy & turn it into a halfway decent grown up toy. I don't anticipate it being easy but it will be fun & in a worse case scenario i'll end up with decent looking static model?
It is my intention to not only get the Tank rolling but to include turret rotation, barrel elevation & guns firing with a light emitter. Although I have gathered quite a few links to various shops more will always help. I have found a gearbox set & electronics & even tracks but I've not seen any wheels yet. Because of the expense this is going to be a slow build & I still have other projects to finish. I want to take a Toy & turn it into a halfway decent grown up toy. I don't anticipate it being easy but it will be fun & in a worse case scenario i'll end up with decent looking static model?
- Attachments
-
- This is the commander figure i'll be using. Perhaps i'll get the correct unit badges?
- 26231372_10215102668378470_4836371977800759705_n.jpg (99.57 KiB) Viewed 9187 times
-
- & this is what i'm aiming for
- 3301_rd.jpg (29.71 KiB) Viewed 9187 times
I am the Law!
- rolling-thunder
- Lance Corporal
- Posts: 225
- Joined: Sun Aug 13, 2017 11:58 pm
Re: Dragon 1/6 PANZER II AUSF.B to C Conversion with RC?
Lol, I've seen 1200 Euro wanted for tracks, so your price sounds better Max. It is a static Tank, at best designed to be pushed around? I've seen the conversion done on the cheap using Heng Long Gearboxes & as long as the Tank isn't driven to hard it should last a while but that isn't the route i'd want to take. I'm just going to sit back & enjoy tinkering. I have an idea about having a metal tub & upper made & see If I can con, I mean convince some engineering friends to help me? As always I need all the help I can get!Max-U52 wrote:It's a good-looking tank, but it's static right now, correct? I looked at the dragon kits myself and the reason I didn't buy one is because I heard from a lot of people that the tracks are the biggest problem. They just won't hold up. And, that's one of the problems with this scale, everything cost so damn much. A new set of tracks for that tank will probably run you at least seven or eight hundred dollars. That's probably more than you paid for the tank. But, if you do get some better tracks and put them on there it should be good to go.
Last edited by rolling-thunder on Thu Jan 11, 2018 6:22 pm, edited 1 time in total.
I am the Law!
- rolling-thunder
- Lance Corporal
- Posts: 225
- Joined: Sun Aug 13, 2017 11:58 pm
Re: Dragon 1/6 PANZER II AUSF.B to C Conversion with RC?
Well that took off quickly. There's a possibility of an uparmour kit being available as early as next week with a commanders cupola from Field of Armor Tanks. That has made my day.
- Attachments
-
- 34742919525_696080053f_z.jpg (46.79 KiB) Viewed 9172 times
-
- 34611394541_253df82d9d_z.jpg (28.37 KiB) Viewed 9172 times
-
- 34580727632_d944163632_b.jpg (71.2 KiB) Viewed 9172 times
I am the Law!
- c.rainford73
- Major
- Posts: 6104
- Joined: Thu Aug 25, 2016 7:34 pm
- Location: Connecticut USA
Re: Dragon 1/6 PANZER II AUSF.B to C Conversion with RC?
I will be following this one closely. Always wanted to build one of these

Tanks alot....
- rolling-thunder
- Lance Corporal
- Posts: 225
- Joined: Sun Aug 13, 2017 11:58 pm
Re: Dragon 1/6 PANZER II AUSF.B to C Conversion with RC?
Tonight i've been looking at the suspension with a view to getting it made in metal with working leaf springs. I also considering the feasibility of having the wheels copied with a view to CNC some from Aluminium. I'm also considering making a mould of the final drive housing with a view to casting them in white metal in sand. I have no experience but my Son has wanted to try lost wax casting so it has to be worth it for a try?
It might all be pipe dreams at the moment but it depends on who i can interest locally for such a small job of steel cutting and milling?
It might all be pipe dreams at the moment but it depends on who i can interest locally for such a small job of steel cutting and milling?
I am the Law!
- rolling-thunder
- Lance Corporal
- Posts: 225
- Joined: Sun Aug 13, 2017 11:58 pm
Re: Dragon 1/6 PANZER II AUSF.B to C Conversion with RC?
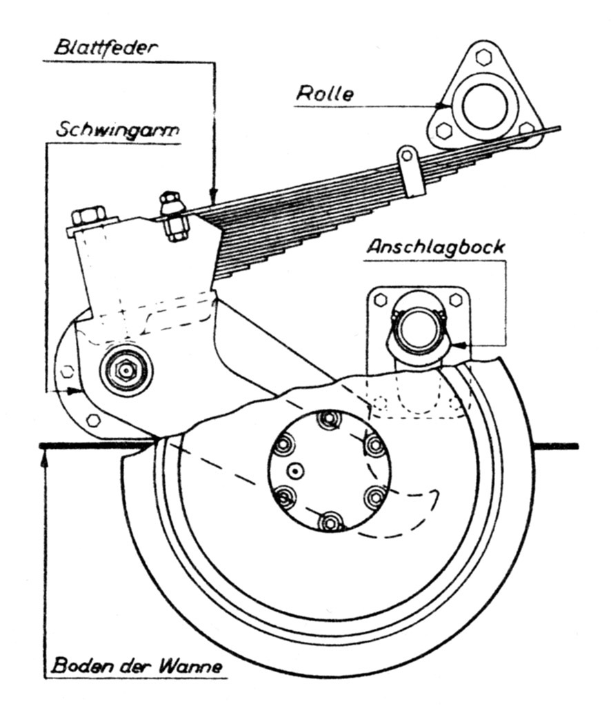
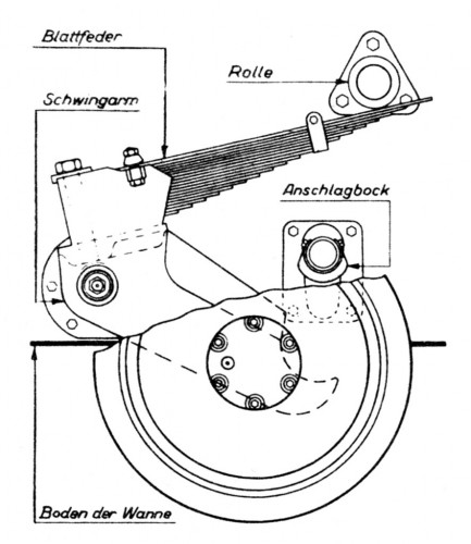
I need to find an exploded diagram of this suspension system.
I am the Law!
- 43rdRecceReg
- Major
- Posts: 6295
- Joined: Fri Jul 31, 2015 11:38 am
- Location: North West Highlands, Scotland
Re: Dragon 1/6 PANZER II AUSF.B to C Conversion with RC?
"Get your facts first, and then you can distort them as much as you please"- Mark Twain.
- rolling-thunder
- Lance Corporal
- Posts: 225
- Joined: Sun Aug 13, 2017 11:58 pm
Re: Dragon 1/6 PANZER II AUSF.B to C Conversion with RC?
Most if not all my ideas have come from Eastcoastarmories videos on Youtube. At least they show what can be achieved if you have the skill. I hope i do have the skills, i only started with Tanks back in August last year and i've come a long way thanks to the help and advice of this forum.
I am the Law!